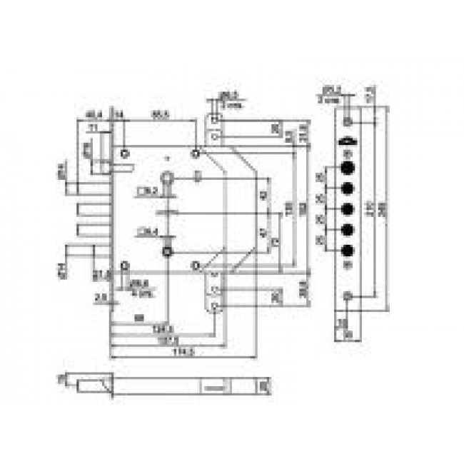
Замок врезной Эльбор Базальт 1.05.41.5.1.1
(03373)
Описание товара
Код: 03373
Базальт 1.05.41.5.1.1 - врезной замок для дверей любого типа, толщина корпуса 20 мм. Три стальных цилиндрических стержня диаметром 14 мм, вылет 40,4 мм, 4-х ходовый механизм секретности. Дополнительный одноходовый засов – стальной стержень диаметром 14 мм, выход 21,5 мм, используется как задвижка, управляется ручкой-заверткой, расположенной с внутренней стороны двери.Универсальная защелка диаметром 16 мм: управляется фалевой ручкой. Скос защелки выполнен по радиусу, что обеспечивает комфортное захлопывание двери и меньший износ. Защита от криминального и силового взлома, высверливания, выдавливания, перепиливания.

